Vitro Biopharma는 제대혈 유래 중간엽 줄기세포(MSC)를 활용한 AlloRx 세포치료제를 중심으로
자가면역 및 염증 질환을 혁신적으로 치료하는 것을 목표로 하는 생명공학 기업입니다.

제품 설명
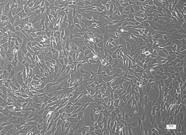
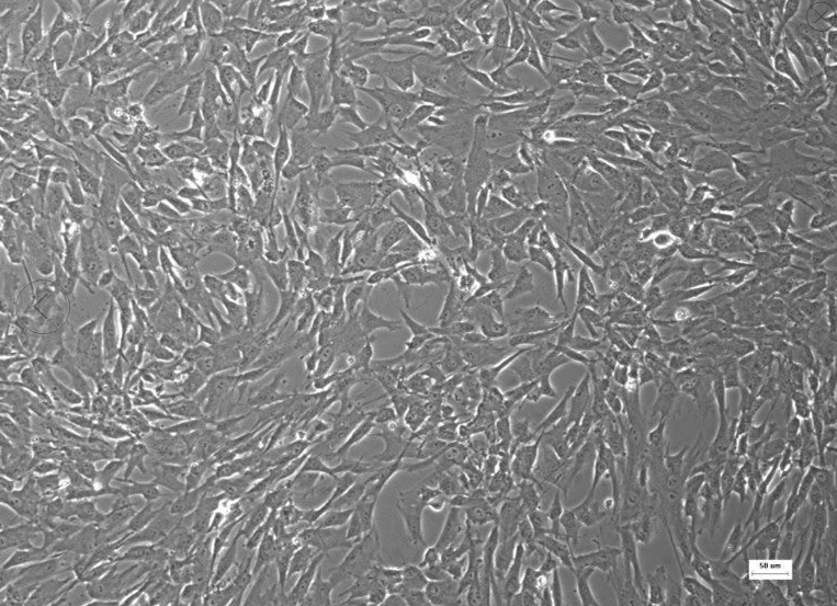
Human Pancreatic Adenocarcinoma Cancer-Associated Fibroblasts (CAFs): 1,000,000 Cells
제품 번호
CAF08
제품 특징
Description
Vitro Biopharma offers high-quality Human Pancreatic Adenocarcinoma Cancer-Associated Fibroblasts (CAFs) intended for in-vitro use in research applications only. These specialized cells serve as invaluable tools across multiple research areas. Our Human CAFs are sourced from well-characterized donor samples and maintained under rigorous quality control to provide you with reliable and consistent results. We offer Human CAFs from multiple donors. Matched Human Fibroblasts are also available from select donors.
• Cryopreserved at a low passage
• High passage capabilities
• Expands in Pancreatic Stellate CAF Maintenance (Vitro Biopharma, Cat. No. PC00B5–optimized for high growth rates, reduced doubling times, healthy cells, and stability)
• Able to grow in low oxygen (1% - 5% O2)
• Available for research only



VitroBiopharma의 모든 제품들을 만나보세요!
|
|
|
MSC-GRO™ VitroPlus III Serum-Free, Xeno-Free Complete Medium: 500mL |
|
Virto Pharma - Official Distributor in South Korea "Morebio" 한국 공식 대리점 "모아바이오"